other
Des produits
Domicile changer commutateur à glissière Interrupteur à glissière 4P2T à angle droit à 2 positions

Interrupteur à glissière 4P2T à angle droit à 2 positions

L'interrupteur à glissière 4P2T contrôle simultanément quatre circuits indépendants avec deux états de commutation stables, permettant une sélection efficace de circuits multi-chemins dans des applications compactes.

  • Marque:

    Gangyuan
  • Article no.:

    SK42D02-EG4
  • Commande (MOQ):

    1000
  • Paiement:

    100% before production
  • Origine du produit:

    Wenzhou
  • Couleur:

    Black
  • Port dexpédition:

    Ningbo or Shenzhen
  • Délai de mise en œuvre:

    7-15 working days
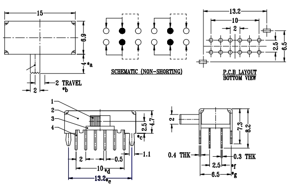
  • Largeur

    15.00mm x 4.70mm
  • Type de montage

    Right Angle
  • éclairage

    Non-llluminated
  • Indice IP

    No IP Rating
  • Les détails du produit

Interrupteur à glissière miniature monté sur circuit imprimé


Spécifications typiques


Taper: Interrupteurs à glissière traversants

Valeurs nominales : 0,3 A 50 V

Force de fonctionnement : 250 ± 100 gf

Course totale : 2±0,2 mm

Durée de vie : 10 000 cycles

Bouton de l'interrupteur à glissière : 4 mm

Plage de température de fonctionnement : -20℃~70℃


Dimensions de l'interrupteur à glissière

Micro interrupteur à glissière 2P2T


Fonctionnalité


Caractéristiques principales de l'interrupteur à glissière 4P2T (concises et combinées)


1. 4 circuits contrôlés (4P - 4 pôles)

Gère quatre circuits indépendants simultanément, idéal pour les applications multi-chemins complexes.

2. 2 positions stables (2T - 2 lancers)

Offre deux états de commutation fixes (par exemple, ON/OFF ou sélection de mode), garantissant un routage de circuit fiable.

3. Contrôle précis des trajets multiples

Permet la commutation simultanée de 4 circuits dans 2 configurations, couramment utilisées dans les systèmes industriels, audio ou automobiles.

4. Compact et durable

Conception peu encombrante avec mécanique coulissante robuste, adaptée à une utilisation à haute fréquence ou dans des environnements difficiles.

5. Applications polyvalentes

Idéal pour les appareils multi-circuits tels que les contrôleurs LED, les pilotes de moteur ou les routeurs de signaux.



laisser un message

Si Vous êtes intéressé par nos produits et vous souhaitez connaître plus de détails, s'il vous plaît laissez un message ici, nous vous répondrons dès que nous Can.

Produits connexes
 Slide Switch
Interrupteur à glissière traversant SPDT

Structure simple, mini corps, 3 bornes, poignée verticale, 1 pôle 3 positions, actionneur à bouton coulissant.

Slide Switch
Mini commutateur de diapositive horizontale 3 position

Interrupteur à glissière horizontal, bouton de la forme d'onde ou V, 1 Pôle 3 Position, PCB montage.

Slide Switch
Support de surface SMD commutateur à glissière

SMD Type Slide Interrupteur, corps miniature, manipulez facilement la borne de conception de la surface avec 2 positions, utilisable pour les bobines Emballage.

Slide Switch
SPDT Mini commutateur à glissière avec bouton blanc

Bouton blanc à commande secondaire, un pôle deux jet, PCB Conception de montage, 3 terminaux, adoptable en bobine Emballage.

Slide Switch
2p3t Side Opéré SMD commutateur à glissière

Bouton à commande secondaire, 2p3t Type, 8 terninales, mini forme pour PCB, également un excellent composant pour DIY.

slide switch
2p3t Mini commutateurs de diapositives pour produits audio

2p3t Mini commutateurs de diapositives pour produits audio,Structure facile, mini corps, 8 bornes, poignée verticale, 2 poteaux 2 positions, bouton coulissant Actionneur.

slide switch
6 position pour PCB Mini SMD commutateur à glissière

MSK-01-B: 7.1mmx3.5mm, 180GF, 2P2T Type Slide Interrupteur.

slide switch
8 voies mini PCB SMD DC6V 2p3t commutateur à glissière

MSK-01Q: 9.9mmx3.2mm , 180GF / 250GF, 2p3t Type Slide Interrupteur.

droits dauteur © 2026 Wenzhou Gangyuan Electronics Co., Ltd.. Tous les droits sont réservés. Mettre au courant

Réseau IPv6 pris en charge

Haut

laisser un message

laisser un message

    Si Vous êtes intéressé par nos produits et vous souhaitez connaître plus de détails, s'il vous plaît laissez un message ici, nous vous répondrons dès que nous Can.

  • #
  • #
  • #
  • #
    Rafraîchir limage